ПП 15-1-2 а (ТП 902-9-1)



ПП 15-1-2 а (ТП 902-9-1)
О товаре
Цена по запросу
ОПИСАНИЕ
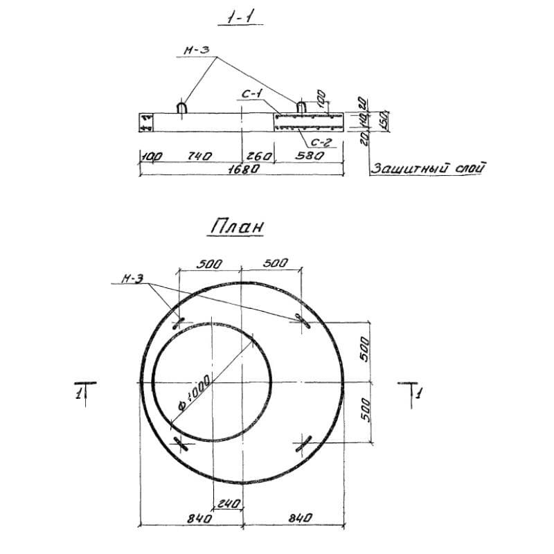
Плита перекрытия колодца ПП 15-1-2 а (ТП 902-9-1) представляет собой круглую конструкцию, имеющую прямоугольную форму поперечного сечения. Основной отличительной особенностью изделия является наличие сквозного круглого отверстия в теле элемента.
Применяются унифицированные плиты перекрытия при строительстве коллекторных и хозяйственно-бытовых канализационных колодцев. Они используются совместно с другими сборными элементами, запроектированными по ТП 902-9-1, отличаются простотой монтажа и долговечностью. Плиты укладываются на колодезные кольца и препятствуют попаданию грунта во внутреннее пространство канализационного сооружения. Подходят для эксплуатации в районах с сейсмичностью до 6 баллов. Максимальный уровень грунтовых вод, допустимый для эксплуатации изделий - по низ плиты перекрытия. Не предусмотрено использование изделий в районах вечной мерзлоты. Расчет конструкций производился на основании СНиП II-B.1-62.
Маркировочные обозначения
Быстро подобрать строительные изделия под нужды типового проекта позволяет наличие маркировочных обозначений. Они отражают ключевые характеристики конструкций и в совокупности символов ПП 15-1-2 а (ТП 902-9-1) расшифровываются:
1. ПП - плита перекрытия;
2. 15 - диаметр колодца;
3. 1 - порядковый номер типоразмера элемента;
4. 2 - величина несущей способности;
5. а - дополнительные конструктивные особенности.
Запрещается изменять маркировочные знаки. Символы следует наносить масляной краской, устойчивой к температурным колебаниям и атмосферным осадкам.
Особенности производства
Обо всех тонкостях производства плит перекрытия колодцев ПП 15-1-2 а (ТП 902-9-1) можно узнать из типового проекта ТП 902-9-1. Документ включает в себя пошаговое описание, требования к материалам и рекомендации по монтажу. В качестве ключевого сырья рекомендовано использовать тяжелый бетон марки М200. Назначение марок водонепроницаемости и морозостойкости осуществляется индивидуально в соответствии с указаниями конкретного проекта. Защитный бетонный слой обязан иметь значение, равное 20мм.
Долговечность и прочность конструкций достигаются благодаря наличию специальных арматурных сеток, размещаемых в теле изделия. Они выполняются из стержневой стали класса AI диаметром 6мм и стали класса AIII диаметром 10мм. Сбор сеток производится с помощью контактной сварки в местах пересечения всех стержней. После сварки вырезается арматура в зоне отверстия. Все перерезанные стержни должны быть приварены к внутреннему окантовочному кольцу. Для производства строповочных петель, облегчающих осуществление монтажа и погрузочно-разгрузочных работ, применяется гладкая стержневая сталь класса AI диаметром 10мм. Обязательна обработка металлических составляющих специальными противокоррозионными составами.
Перед поставкой потребителю конструкции проходят комплекс приемо-сдаточных испытаний. Все результаты записываются в специальные сертификаты качества, поставляемые вместе с изделиями и гарантирующие пригодность конструкций к эксплуатации.
Транспортировка и хранение
Для осуществления правильного складирования и транспортировки плит перекрытий колодцев ПП 15-1-2 а (ТП 902-9-1) важно обеспечить надежную опору из деревянных подкладочных материалов. Высота штабеля подбирается с учетом требований техники безопасности в соответствии с рекомендациями СНиП III-A.II-62. Между рядами обязательно наличие инвентарных прокладок, исключающих вероятность возникновения механических повреждений, продольных и поперечных смещений.