1ЛН 13-3

1ЛН 13-3
О товаре
Цена по запросу
ОПИСАНИЕ
Накладные проступи для укладки на нижние и рядовые ступени маршей 1ЛН 13-3 используют в зданиях и сооружениях различных типов. Лестница для высотных зданий и сооружений – непременный атрибут. Ее изготовление закреплено действующими регламентами, все требования обязательны для исполнения. Нижние и рядовые ступени тип 1ЛН 13-3 отвечают установленным параметрам и характеристикам Серии 1.050.1-2.
Накладные проступи – облицовочные ступени, используемые для получения эстетичного лестничного изделия. Различают две группы: 1ЛН – укладывают на нижние и рядовые ступени и подступенки. Основные отличия данных элементов – цветовая и фактурная гамма поверхности. Это могут быть различные элементы отделки, например, косички, различные цвета и оттенки, вплоть до имитации натуральных камней, например, мрамор, гранит и прочие варианты.
Различают также широкий номенклатурный ряд по размерам. Применение того или иного элемента обуславливается условиями проекта. Проступи укладывают поверх железобетонной конструкции и надежно закрепляется.
1.Варианты написания марки.
Маркируют все железобетонные проступи согласно Серии 1.050.1-2. В обозначении должны быть указаны: тип изделия и его основная размерная группа. Маркировочные знаки записывают разными вариантами:
1. 1ЛН 13-3;
2. 1ЛН 13-3 м;
3. 1ЛН 13.3.
2.Область применения.
Основная сфера применения облицовочных ступеней – создание декора здания. Это необходимо в общественных и публичных строениях, магазинах, павильонах и прочих домах. Средние размеры всех типов проступей тип ЛН варьируются в пределах 300-1500 мм. Для оформления крыльца используют радикальный профиль. Сфера применения включает как внутренние, так и внешние лестницы. Это стало возможным благодаря применению высококачественного сырья.
Данные элементы легко заменить при порче или повышенном износе. Их легко смонтировать и переустановить на новое место. Отличает данные изделия и высокие эксплуатационные характеристики, поэтому спрос на проступи достаточно высок. Элементы 1ЛН 13-3 позволяют повысить свойства стойкости лестниц к истираемости при высокой интенсивности "работы" готового сооружения. Истираемость составляет – 1.8 г/см2.
При установке простыми обустраивается обязательный наклон ступеней – не менее 12 мм. Это делается для того, чтобы отводить дождевую или снеговую влагу со ступеней. Для использования 1ЛН 13-3 в зимний период обязательно наносят антискользящее покрытие, чтобы исключить травмирования людей. Прочность, трещиностойкость, стойкость к действию внешней среды и долговечность – основные требования к железобетонным изделиям для лестниц различного назначения.
3.Обозначение маркировки изделий.
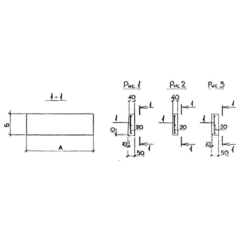
Маркировка производится согласно действующему стандарту Серии 1.050.1-2, согласно которому в обозначении указывается тип изделия и его размерная группа. Знаки наносят на боковую грань черной краской, также указываются дата производства изделия и его масса. Проступи 1ЛН 13-3 имеют следующие параметры:
1. Длина – 1350 ;
2. Ширина – 320 ;
3. Высота – 50 ;
4. Геометрический объем – 0,0216 ;
5. Объем бетона – 0,02 ;
6. Масса – 50 ;
7. Первая цифра обозначает вид проступи (1 или 2) - соответственно нижняя или верхняя;
8. Дополнительными буквами указывают тип поверхности – "ш"-шлифованная, "м"-мозаичная, "г" - глянцевая.
4.Материалы для изготовления и основные характеристики.
Облицовочные ступени 1ЛН 13-3 изготавливают из железобетона. В качестве основного сырья используют портландцементы марки по прочности на сжатие не менее М500 (класс по прочности на сжатие готовой бетонной смеси должен соответствовать В22.5), гранитный отсев марки М1400, мелкозернистый песок.
За счет армирования изделий стальной проволокой горячекатаной диаметром 4-6 мм. достигается установленная проектная жесткость всей конструкции. Для облицовочных ступеней применяется дополнительное армирование фиброволокном – используют ВСМ-бетон (фибробетон).
Для проступи 1ЛН 13-3 устанавливается невысокая морозостойкость – до 50 циклов замораживания и последующего размораживания. Лестничные элементы также должны обладать водонепроницаемостью, так как эксплуатация производится в условиях повышенной влажности. Для проступи тип 1ЛН берется марка не менее W2. Высокая трещиностойкость – одно из главных свойств железобетона, при помощи которого достигается длительный срок службы изделий для лестниц.
5.Транспортировка и хранение.
Перевозка 1ЛН 13-3 производится только с использованием спецтранспорта. Все элементы укладывают на торцевые грани, чтобы избежать повреждения лицевой поверхности. Слои прокладывают изолирующим мягким материалом, допускается укладка деревянных досок установленной толщины – не менее 30 см. Хранение осуществляется в штабелях. Все изделия должны быть аккуратно уложены и проложены досками. Элементы со сколами, дефектами и изъянами к эксплуатации не допускаются. При погрузке и разгрузке должны быть соблюдены правила техники безопасности.