1СД 90-48-30-2 (1.411.1-10.93)

1СД 90-48-30-2 (1.411.1-10.93)
О товаре
Цена по запросу
ОПИСАНИЕ
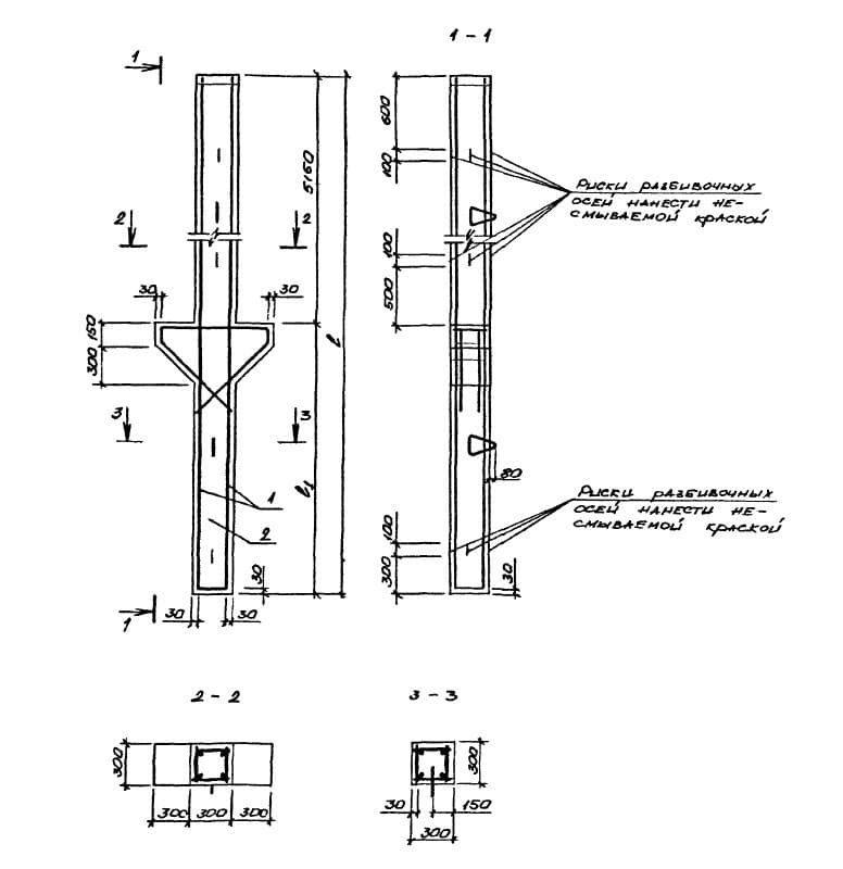
Сваи колонны 1СД 90-48-30-2 (1.411.1-10.93) представляют собой высокопрочные унифицированные строительные материалы, имеющие по внешнему виду форму прямоугольной вытянутой балки с квадратным поперечным сечением. Отличительной особенностью элементов является наличие симметричных консолей на теле изделия, придающих вид буквы «Т» району своего размещения. Ряд запроектированных в нормативном документе конструкций может иметь на верхнем торцевом конце уширение.
Применяются сваи колонны при строительстве одноэтажных каркасных производственных зданий, предназначенных под промышленные и сельскохозяйственные нужды. Изделия подходят для зданий с высотой этажа 4,8; 5,4; 6,0; 6,6 и 7,2м, застраиваемых в I-IV ветровых районах. При разработке и проектировании элементов учитывались требования СНиП 2.01.01-82.
Маркировочные обозначения
На поверхность материалов важно наносить правильные маркировочные обозначения, так как они отражают главные характеристики и позволяют быстро найти необходимые элементы. Совокупность символов 1СД 90-48-30-2 (1.411.1-10.93) имеет следующую расшифровку:
1. 2 - положение в каркасе в зависимости от высоты этажа (1 - крайняя, 2 - средняя);
2. СД - тип конструкции - свая двухконсольная;
3. 90 - длина (дм);
4. 48 - высота этажа (дм);
5. 30 - величина поперечного сечения;
6. 2 - вариант армирования.
Дополнительно могут прописываться следующие индексы в конце маркировочного обозначения:
1. м1 - прочность бетона (м1 - класс В15, м2 - класс В20, м3 - класс В22,5);
2. н - проницаемость бетона (н - слабоагрессивная степень воздействия среды, п - средне агрессивная степень воздействия);
3. а - различия в армировании.
Не допускается произвольно изменять маркировочные обозначения.
Особенности производства
Подробный процесс производства забивных двухконсольных свай колонн 1СД 90-48-30-2 (1.411.1-10.93) прописан в нормативном документе Серии 1.411.1-10.93. Для сохранения геометрических пропорций изготовление должно осуществляться в стальных формах. Главным материалом выступает тяжелый бетон, имеющий следующие классы по прочности на сжатие В15; В20 и В22,5. Бетон должен отвечать требованиям ГОСТ 26633-91. Физико-химические показатели бетона, такие как водонепроницаемость и морозостойкость, должны подбираться исходя из климатических условий индивидуально в соответствии со СНиП 2.03.11-85. Минимальные значения должны быть W2 и F50.
Армируются изделия пространственными каркасами, собираемыми с помощью контактной точечной сварки К1КТ по ГОСТ 14098-91. В качестве продольного армирования выступает сталь горячекатаная класса AIII по ГОСТ 5781-82. Для поперечного армирования применяется проволока класса BpI по ГОСТ 6727-80. Допускается применение стали класса AI. Подъемные петли производятся из стали класса AI марки СТ3сп. Закладные детали изготавливаются из листового проката марки С245.
Перед поставкой потребителю изделия обязательно проходят приемосдаточные испытания, подтверждающие их пригодность к эксплуатации.
Транспортировка и хранение
Складирование и транспортировка свай колонн должны осуществляться в положении «плашмя». Обязательно использование инвентарных деревянных подкладочных материалов, располагаемых в местах размещения строповочных петель. Величина подкладочного материала должна быть не менее 150х100х40мм. Перевозка конструкций должна осуществляться в горизонтальном положении с обеспечением надежной фиксации и исключения вероятности возникновения механических повреждений. Важно безукоризненно соблюдать предписания Серии 1.411.1-10.93.