1РОП 4-42-35 (1.020-1)

1РОП 4-42-35 (1.020-1)
О товаре
Цена по запросу
ОПИСАНИЕ
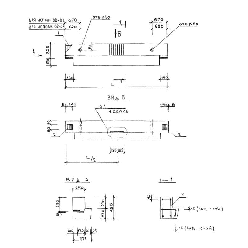
Ригель 1РОП 4-42-35 (1.020-1) - это унифицированная строительная конструкция Т - образной формы с одной полкой, которая служит для опоры плит перекрытия. Детали применяются при строительстве многоэтажных общественных и производственных зданий, в обычных климатических зонах. Благодаря таким элементам, формируется очень прочный и надежный каркас, ригели способны выдерживать очень высокие нагрузки, а наличие полок позволяет воспринимать значительные нагрузки от плит перекрытия вышерасположенных конструкций сооружения. Предел огнестойкости ригелей составляет два часа.
Расшифровка маркировки
Каждое индустриальное изделие имеет свой индивидуальный шифр. Маркировка состоит из букв и цифр, каждая из которых носит информационный характер. Благодаря такому сокращенному обозначению можно очень быстро подобрать необходимую строительную продукцию на складской площадке. Маркировка наносится при помощи штампов и трафаретов с использованием влагоустойчивой краски. На основании Серии 1.020-1 рассмотрим значение марки 1РОП 4-42-35 (1.020-1) более подробно:
1.1 - наличие подрезок для опоры на консоли колонны (2 - без подрезок);
2. РО - тип ригеля – элемент с одной полкой;
3. П - для опирания многопустотных панелей перекрытия;
4. 4 - высота сечения;
5. 42 - длина элемента;
6. 35 - несущая способность.
Рядом с маркировкой ставится штамп отдела технического контроля и дата выпуска.
Основные характеристики и изготовление
Производство железобетонных ригелей 1РОП 4-42-35 (1.020-1) осуществляется в заводских условиях, соблюдая все требования нормативного документа Серии 1.020-1. Конструкции изготавливаются из высокопрочных материалов, которые проходят неоднократные проверки на прочность. В основу ригелей закладывается бетон марки М300. Что касается марки бетона по водонепроницаемости и морозостойкости, то она зависит от особенностей климата района, в котором возводится сооружение. Для того, чтобы данное индустриальное изделие приобрело дополнительную прочность, оно должно подвергаться армированию пространственными каркасами и сетками. В качестве предварительно-напряженной арматуры принимается арматурная сталь Aт-V по ГОСТ 1088471. Для сопряжения с другими конструкциями в тело строительных изделий закладываются закладные детали, которые в обязательном порядке, должны иметь антикоррозионное покрытие. Завод-производитель предусматривает наличие строповочных петель, которые облегчает монтаж деталей. Извлечение индустриальных конструкций из стальных форм, возможно, только после того, как бетон достигнет необходимой отпускной прочности. В летнее время, этот показатель составляет не менее 70%, а в зимний период не ниже 100%. Каждая новая партия ригелей проверяется на прочность, жесткость и трещиностокость. Сравнивается расположение закладных деталей, геометрические показатели по представленным рабочим чертежам. На поверхности строительных деталей не допускаются обнажение арматуры, наплывы бетона и другие дефекты. По итогам контрольных испытаний, все готовые ригели без брака сопровождается паспортом качества, в котором прописываются все необходимые сведения о сырье.
Транспортировка и хранение
Складирование и транспортировка ригелей 1РОП 4-42-35 (1.020-1) осуществляется по определенным правилам, которые прописаны в действующем нормативном документе. Хранятся железобетонные конструкции на специально отведенной площадке в рабочем положении в штабелях высотой не более двух метров. Транспортировка осуществляется на специализированном транспорте и на железнодорожных составах с соблюдением техники безопасности. Все без исключения строительные конструкции должны быть надежно закреплены фиксаторами, которые защищают от повреждений.