2ПСО 60-33-3-2 пс9 (1.090.1-7с)

2ПСО 60-33-3-2 пс9 (1.090.1-7с)
О товаре
Цена по запросу
ОПИСАНИЕ
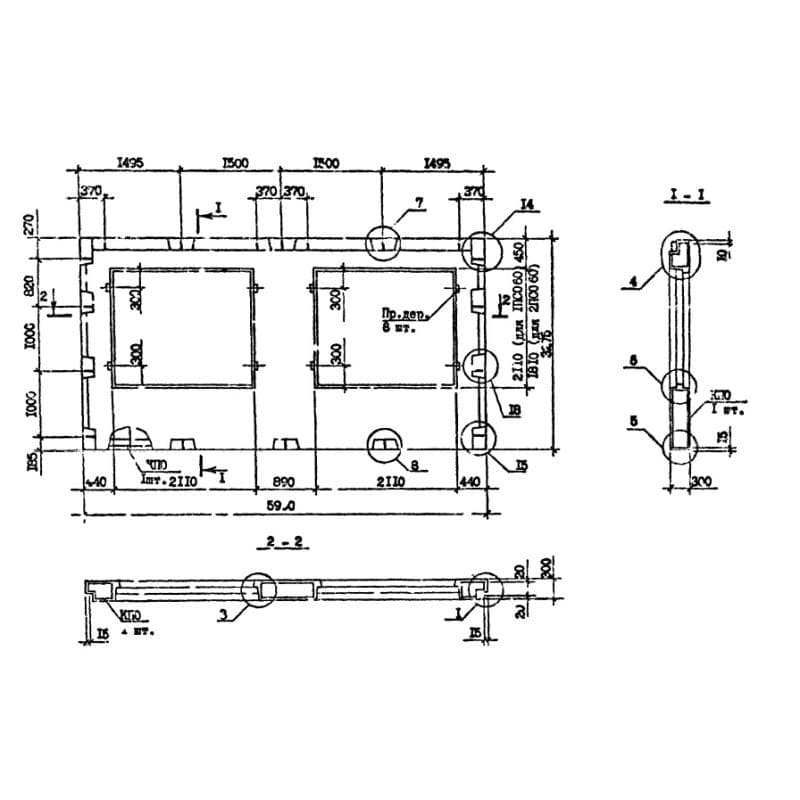
Панель наружных стен однослойная 2ПСО 60-33-3-2 пс9 (1.090.1-7с) - это прямоугольная конструкция с выступами с торцевых сторон по всему периметру. По вертикальным и горизонтальным граням предусмотрены шпонки, арматурные выпуски и закладные детали для соединения панелей при строительстве между собой, с внутренними стенами и перекрытиями. Серией изготовления 1.090.1-7с запроектирован ряд изделий с проемами для установки дверей и окон. Данные 2ПСО 60-33-3-2 пс9 (1.090.1-7с) используются при строительстве крупных панельных построек различного назначения (общественных, административных, бытовых) с высотой этажа 3,3 метра, в местности с сейсмической активностью семь, восемь и девять баллов. К основным преимуществам таких изделий можно отнести огнестойкость не менее двух с половиной часов, прочность, устойчивость к перепадам температуры, а также длительность сроков эксплуатации.
Расшифровка маркировки
Для удобства поиска панелей в широком номенклатурном ряду, им присваиваются маркировочные обозначения, содержащие в себе данные о технических характеристиках конструкций и их параметрах. Рассмотрев подробнее марку 2ПСО 60-33-3-2 пс9 (1.090.1-7с), можно увидеть следующее:
1. 2 - отличие в размерах или расположении проема;
2. ПСО - панель с оконным проемом;
3. 60 - длина (в дм);
4. 33 - высота (в дм);
5. 3 - толщина (в дм);
6. 2 - несущая способность;
7. п - однослойная на пористых заполнителях;
8. с9 - для применения в районах с сейсмичностью 9 баллов.
Маркировку продукции можно увидеть на готовом железобетонном изделии, на торцевой его части. Также там помимо марки, несмываемой краской, прописаны дата изготовления, масса панели в килограммах, товарный символ производителя и штамп отдела технического контроля.
Материалы и производство
Однослойные элементы изготавливаются на заводах ЖБИ, с учетом чертежей и спецификаций из Серии 1.090.1-7с. 2ПСО 60-33-3-2 пс9 (1.090.1-7с) производят в горизонтальных формах лицевой стороной вниз. В качестве основы используются легкие бетоны на неорганических пористых заполнителях классов по прочности на сжатие В5, В7,5 и В10. В качестве заполнителя применяется гравий керамзитовый. Марка бетонной смеси по морозостойкости не меньше чем F50. Для придания эстетичности наружной поверхности панели, ее покрывают декоративным слоем из бетонной смеси М100 или М150, толщиной 2 сантиметра.
Дополнительная прочность будущим строительным конструкциям закладывается в процессе армирования. 2ПСО 60-33-3-2 пс9 (1.090.1-7с) армируют сварным пространственным каркасом, собранным из сеток и стержней из стали класса А-III, с применением холоднотянутой проволоки класса Вр-I. В целях повышения пространственной жесткости здания, в котором будет использоваться панель, в ней предусмотрено устройство непрерывных арматурных поясов-обвязок. Данные пояса представлены в изделии в виде двух продольных арматурных стержней из стали класса А-I диметром 10 миллиметров. Стержни устанавливаются в двух уровнях - верхней и нижней части строительного элемента. Для удобства погрузочно-разгрузочных работ, а также транспортирования в тело конструкции закладываются строповочные петли из стали классов А-I и Ас-II.
Испытание готовых однослойных панелей на прочность, жёсткость и трещиностойкость осуществляются в соответствии с требованиями ГОСТ 8829-85.
Хранение и транспортировка
Строительные элементы складируются в помещении с ровным плотным основанием. Подъем 2ПСО 60-33-3-2 пс9 (1.090.1-7с) важно осуществлять с использованием траверсов, способных самостоятельно держать баланс, благодаря этой технической характеристике может обеспечиваться вертикальное положение изделий. Угол наклона строп допускается не больше чем пятнадцать градусов. Опирание панелей при хранении и транспортировании необходимо выполнять на специальные прокладки (деревянные, резиновые).