ОП 9 (3.006-2)


ОП 9 (3.006-2)
О товаре
Цена по запросу
ОПИСАНИЕ
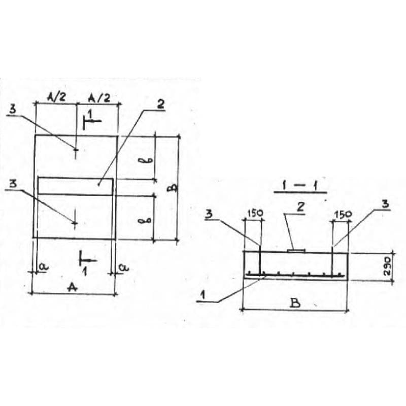
Опорная подушка ОП 9 (3.006-2) представляют собой железобетонное изделие высокой прочности. Элемент имеет прямоугольную форму, ровную и гладкую поверхность с наличием специальных выступов, которые служат для того, чтоб на них проложить трубопроводы. Опорные подушки выступают в качестве фундамента для различных железобетонных конструкций, так же их применяют при обустройстве подвижных опор трубопроводов, возводимых на просадочных грунтах и в сейсмических районах. Благодаря данным железобетонным изделиям не происходит смещений трубопроводов, тем самым это помогает избежать аварии.
Расшифровка маркировки
Опорные подушки ОП 9 (3.006-2) маркируют согласно требованиям действующих стандартов, а именно Серии 3.006-2. Маркировочные знаки не только широко используется в технической документации, но и пишутся прямо на готовых изделиях для удобства при их сортировке. Рассмотрим подробно маркировку ОП 9 (3.006-2) :
1. ОП – опорная подушка;
2. 9 – типоразмер.
Маркировку надо наносить на боковую грань изделия. Она, как правило, дополняется еще и логотипом предприятия, номером парии, датой производства. Для этого наносят черную несмываемую краску, имеющую в своем составе компоненты, которые способствуют высокому сопротивлению атмосферным осадкам, а так же влагоустойчивости. При необходимости можно использовать еще и трафареты. На лицевой части изделия в обязательном порядке указывается штамп отдела контроля качества.
Основные характеристики и изготовление
Опорные подушки ОП 9 (3.006-2) выпускаются на специально оборудованных заводах. Все проектные чертежи и основные особенности производства данных изделий отражены в Серии 3.006-2.При изготовлении железобетонных опорных подушек должен быть обеспечен систематический пооперационный контроль за качеством бетона, арматуры, сварных соединений. Технология производства для опорной подушки представляет собой процесс вибролитья либо вибропрессования. Основным материалом, из которого производят железобетонные изделия данной серии, является бетон марки М300. Для создания арматурного каркаса применяется арматурная сталь класса A-III по требованиям ГОСТ 5781-75. Дополнительное армирование производится отдельными стержнями и сетками. Сетку изготавливают контактной точечной сваркой с помощью вязальной проволоки. Строительные элементы нужно обрабатывать специальным составом, чтобы защитить их от воздействия агрессивной внешней среды. Необходимо производить гидроизоляционную обработку, чтобы защитить строительный элемент от воздействия грунтовых вод. Чтобы монтаж изделий был удобен, конструкции снабжаются подъемными петлями, для них следует принимать сталь класса A-I по ГОСТ 5781-75. Готовая продукция принимается отделом технического контроля предприятия-изготовителя. На изделиях не должно быть никаких трещин, царапин, поверхность обязательно должна быть ровной, гладкой и соответствовать чертежам. Приемка изделий осуществляется в соответствии с требованиями ГОСТ 13015-75 и обязательно особое внимание надо уделять на правильность маркировки и ориентирующих знаков.
Транспортировка и хранение
Готовые опорные подушки ОП 9 (3.006-2) должны храниться в специально оборудованных помещениях. Процедуры предусматривают горизонтальную укладку в штабеля высотой не более двух метров. Транспортировать нужно на специальных технических средствах. При погрузочно-разгрузочных работах обязательно соблюдать технику безопасности и осторожность, чтобы не повредить продукцию. Запрещено скидывать изделия, подвергать толчкам и падениям.