1П 10-5 (1.440-3м/92)

1П 10-5 (1.440-3м/92)
О товаре
Цена по запросу
ОПИСАНИЕ
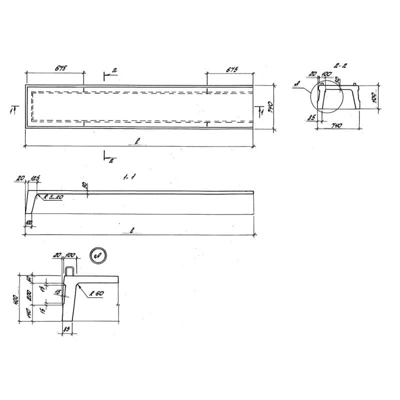
Плита ребристая 1П 10-5 (1.440-3м/92) - это высокопрочная конструкция П-образной формы. На теле имеются поперечные и продольные ребра жесткости, за счет которых изделие способно выносить большие нагрузки. Поля между ребрами представляют собой плоскую армированную полку. Данная конструкция отлично работает на изгиб и применяется в качестве перекрытий при строительстве, благодаря ей происходит равномерное усилие на капитальные стены. Серия 1.440-3м/92 регламентирует применение данной плиты для строительства перекрытий над холодными вентилируемыми подпольями одноэтажных и многоэтажных производственных зданий, возводимых в Северной строительно-климатической зоне на вечномерзлых грунтах, в неагрессивных и слабоагрессивных газообразных средах.
Расшифровка маркировки
Все железобетонные изделия, в том числе и ребристые плиты, обладают буквенно-числовой маркировкой, основные требования к которой лаконичность и содержательность. Рассмотрев расшифровку 1П 10-5 (1.440-3м/92) более подробно можно увидеть следующее:
1. 1 - тип опирания - плита с опиранием в уровне полок;
2. П - плита ребристая;
3. 10 - условное обозначение размера изделия;
4. 5 - порядковый номер, характеризующий несущую способность.
На боковой поверхности готовой плиты прописываются маркировочные надписи и знаки, также там могут указываться вес, дата выпуска, краткое название завода-изготовителя и штамп ОТК.
Материалы и производство
Ребристые плиты изготавливаются агрегатно-поточным способом на основании чертежей и пометок из Серии 1.440-3м/92. При изготовлении изделий должен обеспечиваться пооперационные технологический контроль на всех стадиях производства. В качестве основного сырья для производства 1П 10-5 (1.440-3м/92) может использоваться бетон классов от В15 до В35. На основании индивидуальных будущих проектов подбирается бетон по морозостойкости и водонепроницаемости.
Увеличение показателя прочности у будущей ребристой плиты происходит в процессе армирования. Армирование определяют как дополнительное укрепление бетонного изделия посредством добавления в него, сваренных между собой стальных элементов. В качестве рабочей арматуры продольных ребер 1П 10-5 (1.440-3м/92) используется стержневая сталь класса А-III. Полка плит армируется сварными сетками, торцевые и продольные ребра армируются сварными каркасами. Применяемая здесь сталь - обыкновенная арматурная проволока класса Вр-I. В виде дополнительных конструктивных особенностей используются разнообразные закладные детали из стали марки С245, служащие для сопряжения со смежными конструкциями при строительстве. Для предохранения лицевых поверхностей закладных от коррозии, стальные элементы покрываются цементно-казеиновой обмазкой.
Значение нормируемой отпускной прочности бетона на сжатие у ребристых плит принимается равным 70% от класса бетона по прочности на сжатие, при поставке изделий в холодный период года, значение должно быть повышено до 85%.
Хранение и транспортировка
Сохранность изделий обеспечивается корректной погрузкой и складированием. Перевозка и хранение 1П 10-5 (1.440-3м/92) должны происходить строго в горизонтальном (рабочем) расположении, здесь важно использование деревянного инвентаря, устанавливаемого на расстоянии трех сантиметров от торца изделий. Подъем конструкций осуществляется с применением траверс, которые обеспечивают одинаковое распределение нагрузки на четыре петли. Транспортирование плит должно производиться на автоплитовозах или железнодорожных платформах, оборудованных специальными турникетами.