2ЛН 9-6

2ЛН 9-6
О товаре
Цена по запросу
ОПИСАНИЕ
Накладные проступи для укладки на площадки и верхние ступени маршей 2ЛН 9-6 служат для обустройства лестниц. Строительство железобетонных лестниц – обязательно для высотных зданий. В настоящее время эти конструкции не представляют собой безликие сооружения. За счет применения накладных проступей для укладки на площадки и верхние ступени маршей 2ЛН 9-6 готовые лестничные строения отличаются высоким эстетичным видом без потери прочности и надежности.
Данные элементы представляют собой декоративные накладные элементы с радиальным профилем, и изготавливаются из железобетона. Основное преимущество данных изделий – низкая стоимость, за счет чего удешевляют строительный проект. При окраске подступенка и проступи специальными пигментными красками элементы не выцветают и надолго сохраняют внешний вид в неизменном состоянии.
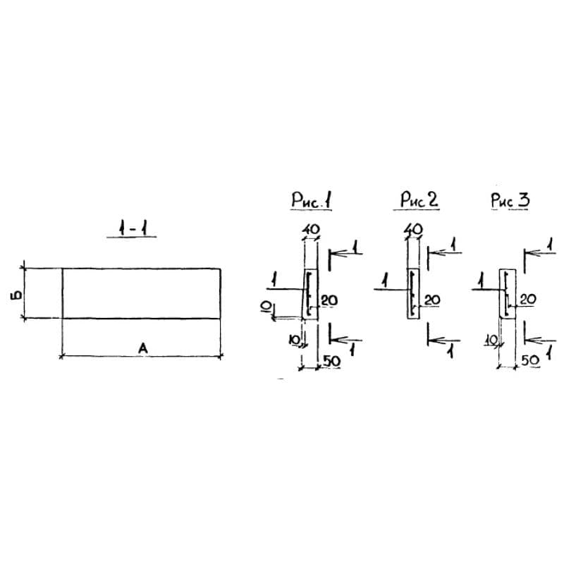
1.Варианты написания маркировки.
Маркировочные знаки записывают согласно действующему Стандарту – ГОСТ 9818-85, согласно которому записывают следующие варианты:
1. 2ЛН 9-6 ;
2. 2ЛН 9.6.
2.Основная сфера применения.
Накладные проступи 2ЛН 9-6 применяют для облицовки лестниц различного назначения, могут быть использованы при отделке внешних и внутренних ступеней. В зависимости от формы, размеров и цветов используют различные панели. Это могут быть элементы, которые имитируют самые разные материалы. Например, натуральный камень, более эксклюзивные варианты обработки поверхности и прочие. Данные изделия позволяют получить практически любой стиль интерьера.
Накладки также применяют и для облицовки площадок лестничной клетки: межэтажных, входных и верхних. Поверхность изготавливается с небольшим рифлением, что полностью исключает травмирование людей при их ходьбе по лестнице. Благодаря шлифовке данные элементы могут быть выполнены с идеально ровной поверхностью, что предусматривает проект. Отличает данные изделия свойство взаимозаменяемости. При значительном износе проступей 2ЛН 9-6 их можно заменить или переустановить на новое место.
3.Обозначение маркировки изделий.
Маркировочные знаки указывают согласно ГОСТ 9818-85 и указывают тип изделия и размерные группы. Данный регламент устанавливает также основные параметры, технологии содержит проектные чертежи. В обозначении 2ЛН 9-6 указаны следующие параметры:
1. 2 – группа изделий, верхняя накладка;
2. 9 – длина, указано в дц.;
3. 6 – ширина, указано в дц.;
4. Дополнительно буквенной комбинацией указывают тип поверхности, "ш" – шлифованная.
Основные параметры накладных проступей:
1. Длина – 930 ;
2. Ширина – 535 ;
3. Высота – 50 ;
4. Геометрический объем изделий – 0,0249 ;
5. Объем бетона на одно изделие – 0,02 ;
6. Масса – 50 .
Все знаки обозначения наносят на нелицевую поверхность изделий черной несмываемой краской. Дополнительно вносят обозначения: дата производства, товарный знак производителя, номер партии, масса.
4.Основные материалы для изготовления и их характеристики.
Все детали должны отвечать требованиям по прочности, надежности и высокому качеству. Для этого используют бетоны тяжелых марок и в качестве основной технологии – вибролитье. Марка бетона по прочности на сжатие должна быть не менее М300. За счет применения таких материалов достигается высокая прочность готового изделия, стойкость к истиранию и каким-либо физическим деформациям. Данные элементы "работают" под ударными нагрузками, поэтому важно соблюдать требования основной технологии.
Бетоны должны отвечать следующим характеристикам:
1. Морозостойкость – F50, то есть не менее 50 циклов полного замораживания и последующего размораживания;
2. Прочность – бетон класса В15 и В25;
3. Прочность на сжатие должна соответствовать пределам 450 кг/см2, прочность на растяжение при изгибе – не менее чем 100 кг/см2;
4. Водонепроницаемость марки W2, при этом водопоглощение должно составлять не более 3%. Это позволило существенно расширить сферу применения накладных проступей;
5. Истираемость – 1,8 г/см2.
Обязательно проводят армирование проступей сварными сетками из высококачественной стали. За счет их антикоррозионной обработки срок службы готового изделия значительно продлевается. Удобство и безопасность эксплуатации достигается путем изготовления специальной антискользящей поверхности. Это позволит эксплуатировать данные проступи в любое время года.
5.Транспортировка и хранение.
Накладные проступи верхние 2ЛН 9-6 перевозят спецтранспортом, уложенными на нелицевое ребро. Все элементы должны быть надежно закреплены и уложены вплотную друг к другу. Во время перевозки изделий без контейнеров их укладывают "поленницей" высотой не более 2,5 метров с дополнительным закреплением всего блока. Очень важно оградить стопку от съезжания и разваливания. При погрузочно-разгрузочных работах должны быть соблюдены все правила техники безопасности, при этом не допускается навал или сброс проступей. Хранение осуществляют в штабелях.