1ПП 20-2





1ПП 20-2
О товаре
Цена по запросу
ОПИСАНИЕ
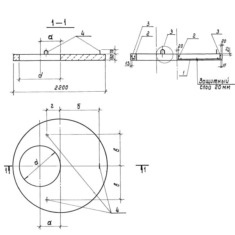
Плита перекрытия колодцев 1ПП 20-2 - это прочное железобетонное изделие круглого сечения, с отверстием, предназначенным для установки чугунного или полимерного люка. Данные плиты являются своеобразной «крышкой» для конструкций горловин и стволов сборных железобетонных колодцев. В целом, такие колодца (водопроводные и канализационные) являются широко используемыми сооружениями. Без них не возможно обустройство различных инженерных сетей, водоотводных коммуникаций, а также канализационных септиков. Использование таких сооружений целесообразно, так как они обладают высокой устойчивостью к деформациям, негативному воздействию грунтовых вод и почвы.
Расшифровка маркировки
Маркировка всех элементов сборного железобетонного колодца, в том числе и плиты перекрытия, принята буквами и цифрами. Каждый символ несет в себе смысловую нагрузку о характеристиках, или же о конструктивных особенностях изделия. В 1ПП 20-2 расшифровка марки представлена следующим образом:
1. 1 - типоразмер конструкции;
2. ПП - плита перекрытия;
3. 20 - изделие предназначено для колодца, диаметр которого 2 м;
4. 2 - тип несущей способности.
Маркировка и другие важные сведенья, такие как вес плиты, дата выпуска и товарный символ производителя прописываются на готовом изделии, темной краской особого состава.
Материалы и производство
Изготовление изделий для сборных железобетонных колодцев осуществляется на заводах или на специально оборудованных для этого полигонах. Изготовитель должен руководствоваться чертежами, спецификациями и пометками из Серии 3.900.1-14. Создание плит перекрытия осуществляется современным методом - вибропрессованием. Вибропрессование - это особая технология производства изделий для строительства, в основу ее положены уплотнение полусухой твердой смеси, под действием давления сверху, а вибрации - снизу. После прессовки изделия становятся плотными и однородными, что позволяет держать им свою форму и быть водонепроницаемыми. Основным материалом для изготовления 1ПП 20-2 является бетон марки М200 класса В15, важными преимуществами которого являются большая плотность цементного состава и малое тепловыделение при затвердевании. Марка бетона по водонепроницаемости может зависеть от режима эксплуатации и климатических условий объекта строительства, поэтому автор в конкретных проектах назначает ее в индивидуальном порядке.
Для того чтобы при эксплуатации будущая плита перекрытия колодца справлялась с постоянными и временными нагрузками (такие, как вертикальное и боковое давление грунта обсыпки) помимо использования плотного бетона в нее закладывают стальной скелет. В качестве арматуры здесь применяется сталь классов А-I, A-II, A-III, Вр-I. Для сопряжения с другими смежными изделиями в 1ПП 20-2 присутствуют закладные детали (сталь класса А-II). Все используемые для плиты металлические конструкции обрабатываются антикоррозийным составом.
Оценка готового изделия происходит с помощью контрольных испытаний на прочность и трещиностойкость.
Хранение и транспортировка
Строительные элементы складируются в рабочем положении, лицевой стороной вверх. Укладываются конструкции методом штабелирования, в ряд не выше чем 2,5 метра. Обязательным условием является использование деревянного инвентаря - подкладок и прокладок, толщиной не меньше чем четыре сантиметра. Перевозят 1ПП 20-2 различными видами транспорта, которые обладают необходимой грузоподъемностью. При перевозке изделия закрепляются во избежание сколов и трещин.