ОП 5 (3.006.1-2/82)


ОП 5 (3.006.1-2/82)
О товаре
Цена по запросу
ОПИСАНИЕ
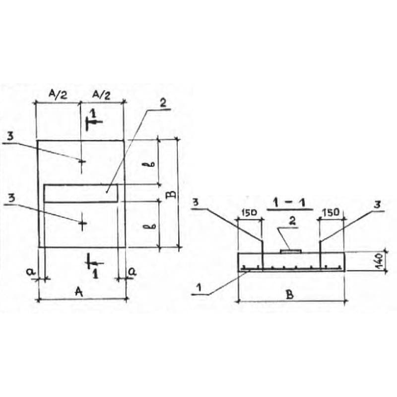
Опорные подушки ОП 5 (3.006.1-2/82) - железобетонные изделия прямоугольной формы. Отличительной особенностью конструкций является наличие небольшой выступающей вверх прямоугольной части, служащей амортизирующей опорой для укладываемых сверху инженерных коммуникаций.
Высокопрочные опорные подушки широко применяются при строительстве каналов и тоннелей различного назначения. Их используют в качестве опорных элементов для трубопроводов и других инженерных коммуникаций. Применение конструкций совместно с изделиями, запроектированными по Серии 3.006.1-2/82, позволяет создавать надежные и долговечные каналы и тоннели. Допускается применение на просадочных грунтах и в районах с сейсмичностью до 9 баллов.
Расшифровка маркировки
На поверхности изделий принято наносить маркировочные обозначения, позволяющие с легкостью находить необходимые по типовому проекту элементы на складских территориях. Знаки состоят из цифр и букв и имеют информационный характер. ОП 5 (3.006.1-2/82) будет иметь следующую расшифровку:
1. ОП - тип конструкции - опорная подушка;
2. 5 - порядковый номер типоразмера.
Маркировочное обозначение должно наноситься несмываемой масляной краской, устойчивой к частым перепадам температур. Допускается использование трафаретов и штампов. Дополнительно проставляется знак отдела технического контроля, дата производства, информация о производителе и вес изделия. Запрещено вносить изменения в маркировку.
Материалы и производство
Железобетонные опорные подушки ОП 5 (3.006.1-2/82) производятся в соответствии с требованиями Серии 3.006.1-2/82, регламентирующей порядок изготовления и входящие в состав материалы. В качестве основы используется тяжелый бетон марок М200 и М300 по прочности на сжатие. Водонепроницаемость и морозостойкость подбираются исходя из климатических особенностей района застройки.
Для изготовления арматурных каркасов и сеток используется сталь классов AI и AIII по ГОСТ 5781-82. Дополнительно применяется проволока класса Bp-I по ГОСТ 6727-80. Закладные детали изготавливаются из прокатной стали марки ВСт3кп2 по ГОСТ380-71. Марка арматурной стали для производства монтажных петель подбирается исходя из расчетной температуры монтажа элементов. ВСт3пс2 не допускается применять при температуре наружного воздуха ниже -40.
Все металлические составляющие в обязательном порядке покрываются антикоррозионными составами. При высоком содержании грунтовых вод в районе застройки следует обеспечить дополнительную гидроизоляцию изделий специальными материалами.
Отпускная прочность в летней период составляет 70% от проектной марки бетона и 100% в зимний. Контрольные испытания следует проводить по рекомендациям, изложенным в ГОСТ 8829-85. Прошедшая испытание партия оснащается соответствующей документацией, подтверждающей эксплуатационные и качественные характеристики.
Транспортировка и хранение
Транспортировку элементов следует осуществлять в горизонтальном положении в штабелях. Обязательна прокладка инвентарных досок, толщина подкладочного материала должна превышать высоту выступающих частей минимум на 2 см. Погрузочно-разгрузочные работы следует осуществлять с применением специализированной подъемной техники за строповочные петли.
Хранение опорных подушек ОП 5 (3.006.1-2/82) должно осуществляться в штабелях на заранее тщательно выровненной площадке. Укладка должна производиться в штабеля с учетом требований регламента по техники безопасности (СНиП III-4-80) и не должна превышать 2,5 м. Для исключения механических повреждений следует использовать инвентарные доски между рядами конструкций.