2ПСО 60-33-3,5-1 п пв (1.090.1-3пв)

2ПСО 60-33-3,5-1 п пв (1.090.1-3пв)
О товаре
Цена по запросу
ОПИСАНИЕ
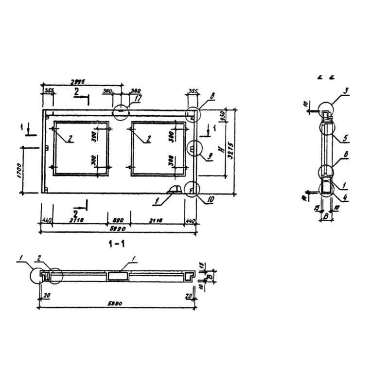
Наружная стеновая однослойная панель 2ПСО 60-33-3,5-1 п пв (1.090.1-3пв) – это конструкция прямоугольной формы из легкого бетона, в вертикальных гранях которой предусмотрены декомпрессионные полости для отвода случайно попавшей воды, по вертикальным граням ее имеются арматурные выпуски и гнутые стержни для сопряжения панелей между собой и внутренними стенами. В зависимости от расположения в плане здания панели могут быть запроектированы глухими, с оконными и с дверными проемами. Наружная поверхность конструкций покрыта декоративным слоем, вид и цвет которого принимается в конкретном проекте. Внутренняя поверхность данных строительных элементов должна быть гладкой, подготовленной под покраску и оклейку обоями. Такие изделия запроектированы для многоэтажных (до пяти этажей) вспомогательных и общественных зданий предприятий промышленного назначения с высотой этажа 3,3 метра. Применяются в сложных инженерно-геологических условиях, на площадках с неагрессивной средой, в районах с просадочными грунтами второго типа по просадочности, на подрабатываемых местностях с пологим и крутым залеганием угольных пластов. Отличаются панели быстротой и простотой монтажа и высокими прочностными характеристиками.
Расшифровка маркировки изделия
Условно обозначаются панели марками, которые состоят из цифробуквенных комбинаций, они отражают основные характеристики и отличительные особенности изделия. Маркировка панели 2ПСО 60-33-3,5-1 п пв (1.090.1-3пв) расшифровывается так:
1. 2 – индекс, характеризующий конструктивные особенности,
2. ПСО – стеновая панель с оконным проемом,
3. 60 – длина,
4. 33 – высота,
5. 3,5 – толщина,
6. 1 – тип несущей способности,
7. п – бетон на пористых заполнителях,
8. пв – применяются на просадочных грунтах и на подрабатываемых грунтах.
Габариты изделий указываются в дециметрах. На каждой готовой панели проставляются несмываемой краской: марка конструкции, индекс изготовителя, дата выпуска и печать ОТК.
Материалы и изготовление
Наружные стеновые однослойные панели 2ПСО 60-33-3,5-1 п пв (1.090.1-3пв) должны изготавливаться в заводских условиях с соблюдением систематического пооперационного контроля над качеством на всех этапах производства и в соответствии с Серией 1.090.1-3 пв. Регламентировано их изготовление в горизонтальных формах фасадной стороной вниз. Запроектированы конструкции из легкого бетона на пористых неорганических заполнителях (гравий керамзитовый) марки М150, по морозостойкости не менее Мрз25. Армируются панели сварными пространственными каркасами, которые устанавливаются в форму в собранном виде при закрытых бортах. В качестве арматуры применяется сталь класса АIII, АI и проволока ВрI. Закладные детали выполняются из стали АIII. Лицевые поверхности закладных деталей должны иметь антикоррозийное покрытие толщиной 0,5 миллиметра.
Приемка готовых конструкций ОТК завода – производителя и контрольная выборочная проверка должна проводиться в соответствии с ГОСТ 11024-84. Регламентировано проводить испытания неразрушительными методами.
Хранение и транспортировка
Наружные стеновые панели 2ПСО 60-33-3,5-1 п пв (1.090.1-3пв) следует хранить на обустроенных складах рассортированные по маркам и видам в вертикальном положении. Каждая конструкция должна иметь опору на деревянные или резиновые прокладки. При всех комплексах работ по подъему, складированию и транспортированию требуется соблюдать меры, исключающие загрязнение лицевых сторон, повреждение конструкций и выпусков арматуры.
Данные строительные элементы должны перевозиться с надежной фиксацией внутри кузова транспорта, исключающей их опрокидывание, сдвиг и взаимное трение.