2БФ 51-5

2БФ 51-5
О товаре
Цена по запросу
ОПИСАНИЕ
Балки фундаментные 2БФ 51-5 – железобетонные изделия таврового сечения (в поперечном разрезе представляет собой букву "Т"), используемые в строительстве подошв или ростверков оснований кирпичных, блочных и панельных зданий промышленного или коммерческого назначения. Конструктивно элемент представляет собой балку трапециевидной формы. Толщина определяется параметрами бетона и типом конструкции. Элементы запроектированы на работу в особо ответственных конструкциях и отвечают всем требованиям ГОСТ 28737-90. Фундаменты воспринимают колоссальные вертикальные, в том числе динамические нагрузки, поэтому должны соответствовать высоким параметрам прочности и качеству исполнения.
Обратите внимание, что балки данного типа не используются в строительстве гражданских высотных зданий. Это связано со специфическими эксплуатационными характеристиками и крупными габаритами. Изделия типа БФ входят в разновидность сортамента, которые имеют верхнюю площадку и особо качественное армирование (каркас железобетонной конструкции) стальными прутами с предварительным напряжением.
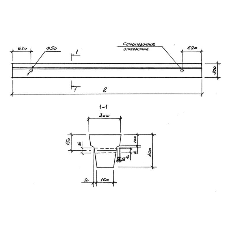
1. Варианты написания маркировки
Знаки условного обозначения пишут различными способами:
1. 2БФ 51-5;
2. 2БФ 51.5.
2. Основная сфера применения
Балки 2БФ 51-5 применяются в строительстве фундаментных конструкций:
- промышленных зданий с железобетонными колоннами высотой до 24 метров и панельными самонесущими и навесными стенами толщиной 200 мм без кирпичного цоколя и перегородок;
- зданий с панельными навесными и самонесущими стенами толщиной 300 мм без кирпичного цоколя или с цоколем толщиной 250 мм;
- строений с кирпичными стенами толщиной 250 мм.
Допускается эксплуатировать железобетонные фундаменты 2БФ во всех климатических регионах России, не исключая регионы с высокой сейсмической активностью (до 7 баллов включительно по шкале Рихтера). Среднезимняя температура района может достигать до -40 градусов. Применение балок в том или ином регионе должно быть подкреплено гидрогеологическими исследованиями и технико-экономическими расчетами.
Монтаж связан с некоторыми трудностями, так как изделие обладает внушительной массой и негабаритными размерами, поэтому для работ следует привлекать спецтехнику. Оптимально применять краны и лебедки. Укладка балок значительно облегчается за счет наличия монтажных петель, через которые пропускается такелажный трос, выполняется надежная строповка. Перед раскладкой железобетонных стержней, забивают вертикальные элементы с шагом 1,4- 6 метров и обустраивают щебенчато-гравийную подсыпку. Монтаж балок осуществляется либо на столбы (в процессе сборки ростверка), либо на сваи (когда требуется сформировать ленточное основание блочного типа). Фиксация фундаментных единиц выполняется по стандартной методике – перевязка хомутами, либо соединение контактной точечной сваркой армирующего каркаса и арматурных выпусков опорных столбов.
3. Обозначение маркировки
Фундаментные балки 2БФ 51-5 маркируют согласно требованиям действующего регламента – Серии 1.015.1-1.95. В основной маркировке указываются следующие данные:
1. 2 – типоразмер;
2. БФ – балка фундаментная (тип конструкции);
3. 51 – длина, указывается в дециметрах с округлением до целого числа (расстояние между гранями подколонников);
4. 5 – группа несущей способности, ее порядковый номер.
Знаки пишут на торцевой грани балки ближе к концу. Дополнительно указывают дату выпуска, массу изделия и краткое наименование компании-производителя.
Технические характеристики:
Длина = 5050;
Ширина = 300;
Высота = 300;
Вес = 850;
Объем бетона = 0,34;
Геометрический объем = 0,4545.
4. Основные материалы для изготовления
Эксплуатация балок фундаментных 2БФ 51-5 осуществляется в условиях воздействия слабоагрессивной среды, поэтому их изготавливают из тяжелых конструкционных бетонов нормальной проницаемости класса прочности В25. Материалы отвечают требованиям морозостойкости, водонепроницаемости и трещиностойкости в соответствии с конкретными условиями эксплуатации изделий.
Армирование балок выполняется стальными пространственными плоскими каркасами, соединенными между собой шпильками. Их привязывают вязальной проволокой класса Вр-1. В зоне опорной части закладывают отдельные стержни. Стальные узлы изготавливают из стали класса А-300в, обработанные антикоррозионными составами.
5. Транспортировка и хранение
Фундаментные балки транспортируют специализированным автомобильным, железнодорожным или водным транспортом. Во время перевозки каждый элемент должен быть зафиксирован и проложен деревянными подкладками, которые исключают порчу бетонной поверхности. Складирование организуется штабелями.