11К 75-5 АV

4xrg5jqr5ipobn7
11К 75-5 АV

О товаре

Длина:7500
Ширина:400
Высота:400
Вес:3100
ГОСТ, Серия:-
Объем бетона:1,2 м3
Геометрический объем:1,2 м3

Цена по запросу

ОПИСАНИЕ

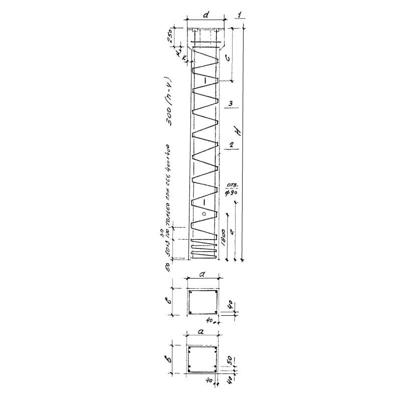
Колонна 11К 75-5 АV - это вертикально стоящая, предварительно напряженная железобетонная конструкция с прямоугольным сечением. Колонны служат опорами для других строительных элементов, они способны воспринимать горизонтальные и вертикальные нагрузки, поэтому с помощью них создаются каркасы зданий. Применяются 11К 75-5 АV в одноэтажных промышленных сооружениях без опорных мостовых кранов с высотой этажа 4,8-14,4 метра, расположенных в среднеагрессивной, слабоагрессивной или неагрессивной газовой средой. Такими зданиями могут быть непосредственно складские помещения, ангары, хранилища и тому подобное.

Маркировка изделия

По нормативному документу колонна обозначается марками, состоящими из буквенно-цифровых групп, которые разделяются дефисом. Рассмотрим подробно обозначение маркировки колонны 11К 75-5 АV:

1. 11 - условное обозначение размеров сечения (400Ч400);

2. К - тип конструкции (колонна);

3. 75 - длина в дм;

4. 5 - порядковый номер, характеризующий несущую способность изделия;

5. AV - класс используемой напрягаемой арматуры.

Краской особого состава на готовом изделии указываются маркировка, товарный символ изготовителя, масса изделия, а также дата выпуска колонны. Для удобства написания здесь могут использоваться резиновые штампы или трафареты.

Производство и материалы

Производство колонны 11К 75-5 АV происходит согласно Серии 1.423.1-7. Изготовление данных длинномерных изделий может производиться по стендовой, агрегатно-поточной или конвейерной технологии. Марка изделий по несущей способности, а также марка бетона по прочности устанавливается при проектировании здания в результате расчета действия усилия на колонну при эксплуатации. Марки бетонной смеси по морозостойкости и водонепроницаемости также устанавливаются автором проекта здания в индивидуальном порядке. Важным условием здесь является то, что при применении колонны в условиях слабоагрессивной среды, используется бетон нормальной плотности, а в среднеагрессивной - повышенной плотности.

Колонне 11К 75-5 АV присуще поперечное армирование в виде спирали, которая привязывается непосредственно к напрягаемой арматуре специальной вязальной проволокой с шагом не более 3-х метров и по концам конструкции. Напряжение арматуры производится на упоры стенда или на форму и может осуществляться механическим или электротермическим способом. Также в колонне предусмотрены закладные детали для крепления стоек фахверка, фиксация закладных в оголовке 11К 75-5 АV осуществляется путем крепления к форме.

Оценка качества готовых колонн проверяется партиями в соответствии с требованиями ГОСТ I30I5-75. Результаты контроля записываются в журнал ОТК.

Хранение и транспортировка

Колонны должны храниться в горизонтальном положении в штабелях, которые в свою очередь должны быть рассортированы по маркам. В них изделия укладываться на расположенные одна над другой по вертикали деревянные прокладки, которые в свою очередь укладываются в местах строповочных приспособлений. Толщина деревянного инвентаря должна быть не меньше 8 см, длина - на 10 см больше соответствующего размера колонны. Для обеспечения безопасности при складировании и погрузке ширина проходов между штабелями должны быть не меньше 1 метра, а расстояние между торцами колонн двух соседних штабелей не менее 0,5 метра. Погрузка и выгрузка 11К 75-5 АV на транспортные средства должна производиться с мерами предосторожности, которые исключат возможность повреждения строительных элементов. При перевозке колонны должны опираться в местах строповочных приспособлений.