КЦП 1-20 (ГОСТ 8020-80)




КЦП 1-20 (ГОСТ 8020-80)
О товаре
Цена по запросу
ОПИСАНИЕ
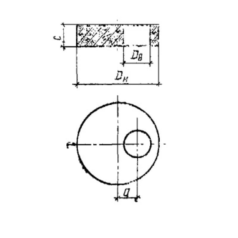
Плита перекрытия колодцев КЦП 1-20 (ГОСТ 8020-80) представляет собой плоскую круглую железобетонную конструкцию, отличительной особенностью которой является наличие круглого проема для установки люков, различных по материалу, диаметру и нагрузке. Она является завершающим звеном смотровых колодцев водопроводных и канализационных сетей. Такие плиты обеспечивают колодцам герметичность, защищают их от возможного попадания в них грязи и нечистот. Данное изделие за счет высоких эксплуатационных показателей, легкости монтажа, невысокой цены и долгого срока службы получило широкое распространение при строительстве инженерных сетей и частной застройки.
Расшифровка маркировки
Условно обозначаются железобетонные конструкции марками, которые состоят из буквенных и цифровых шифров, объединенных в единую систему. Маркировка плиты КЦП 1-20 (ГОСТ 8020-80) несет в себе следующую информацию об изделии:
1. КЦП - плита перекрытия смотровых колодцев;
2. 1 - индекс, указывающий типоразмер;
3. 20 - внутренний диаметр кольца (дм).
На всех готовых изделиях, поставляемых потребителю, должны быть указаны следующие сведения: марка плиты, краткое наименование предприятия-производителя или товарный знак, дата выпуска, масса в кг, печать ОТК. Надписи следует наносить на наружные поверхности плиты краской устойчивой к истиранию, перепадам температур и атмосферному увлажнению.
Материалы и производство
Железобетонные плиты перекрытия колодцев КЦП 1-20 (ГОСТ 8020-80) надлежит изготавливать, руководствуясь требованиями и стандартами, закрепленными в ГОСТ 8020-80. Основной материал данных изделий - это тяжелый бетон с маркой по прочности на сжатие М200. Марки бетона по морозостойкости и водонепроницаемости принимаются в каждом конкретном проекте исходя из природно-климатических условий в области строительства и эксплуатационного режима, но не менее чем Мрз50 и В4.
Армирование представляет собой внедрение стальных элементов в толщу бетонного массива, создавая тем самым надежный "скелет" конструкции. В качестве арматуры плит перекрытия запроектирована горячекатаная сталь класса АI, АII, АIII и обыкновенная холоднокатаная проволока ВI. Для удобства проведения погрузо-разгрузочных работ в теле плит предусмотрены не меньше трех монтажных петель, выполненных из стали класса АI или АII.
Готовая партия плит перекрытия (пять процентов от конструкций, изготовленных в течение одних суток, но не менее 10 штук) подвергаются испытаниям по показателям прочности, жесткости, оцениваются так же их внешний вид, прямолинейность, геометрические размеры, положение арматуры. По итогам испытаний партия, или часть партии сопровождаются паспортами качества установленного образца.
Транспортировка и хранение
Чтобы сохранить плиты перекрытия колодцев КЦП 1-20 (ГОСТ 8020-80) в пригодном состоянии для монтажа требуется их хранить в рабочем положении на заранее спланированных площадках. Конструкции укладываются в штабеля, рассортированные по типам и маркам в соответствии со схемами складирования, указанными в справочном приложении нормативного документа изготовления.
Подъем изделий требуется выполнять краном с захватом за петли с соблюдением техники безопасности. Перетаскивание волоком, сброс, навал плит запрещаются.
При перевозке плит перекрытия колодцев на всем протяжении пути должна гарантироваться полная неподвижность, исключающая их опрокидывание, сдвиг и трение. В тех случаях, когда прочность бетона конструкций не достигла отпускной прочности, поставка потребителю не допускается.