1КСО 60-2-21

1КСО 60-2-21
О товаре
Цена по запросу
ОПИСАНИЕ
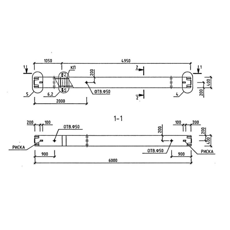
Колонна 1КСО 60-2-21 представляет собой высокопрочную вертикальнонаправленную прямоугольную железобетонную конструкцию. Основные функции данных изделий - опора для установленных на нее плит перекрытия (ребристых, многопустотных, типа ТТ), равномерное распределение нагрузки от выше установленных конструкций на основание. В соответствии с расположением в плане здания колоны могут иметь конструктивные различия в виде одной или двух консолей, дополнительных закладных деталей. Для возможности реализации как можно больше различных схем зданий нормативным документом предусмотрены несколько видов колонн:
- бесстыковые на всю высоту сооружения;
- стыковые конструкции для многоэтажной разрезки;
- колонны одноэтажной разрезки.
В свою очередь они подразделяются, в зависимости от положения по высоте здания, на верхние, средние и нижние колонны. В номенклатуру так же включены конструкции для зданий с техническим подпольем высотой 2,0 м и подвальным помещением высотой 3,0 м.
Запроектированы такие строительные элементы для многоэтажных общественных вспомогательных и производственных зданий промышленных предприятий, строящихся в I-IV районах по ветровой нагрузке, с расчетной температурой не ниже -40 градусов с высотой этажа от 3,3 до 7,2 метра. Более точные указания по условиям эксплуатации прописаны в Серии 1.020-1/87.
Расшифровка маркировки
Маркировка 1КСО 60-2-21 состоит из буквенных и числовых групп и несет в себе следующую информацию:
1. 1 - количество этажей;
2. КСО - колонна средняя одноконсольная;
3. 60 - высота второго этажа (дм);
4. 2 - несущая способность консоли;
5. 21 - несущая способность колонны.
Марка конструкции и производителя, дата выпуска, масса, печать ОТК - основные сведения, которые должны быть указаны на всех поставляемых потребителю колоннах.
Материалы и производство
Колонны 1КСО 60-2-21 надлежит изготавливать в соответствии со стандартами и требованиями, закрепленными в Серии 1.020-1/87. За основу конструкций берется тяжелый бетон с классом по прочности на сжатие в диапазоне В25-В45.
Армируются колонны пространственными каркасами, собранными при помощи контактной сварки из отдельных стержней, замкнутых хомутов, сеток и закладных деталей из стали класса АI, АIII, АтV. Мероприятия по защите от коррозии закладных изделий и металлоизделий должны выполняться согласно с указаниями проектов привязки зданий, которые разрабатываются с учетом местных факторов воздействия среды согласно СНиП 2.03.II-/87.
Готовые конструкции проходят приемочный контроль предприятия изготовителя по итогам приемосдаточных и периодических испытаний и должны удовлетворять ГОСТ 13015.0-83. Изделия подвергаются проверке на прочность, жесткость, раскрытие трещин, оценивается их внешний вид, качество поверхностей, точность положения арматурных элементов и геометрических размеров. По итогам приемки изделия сопровождаются паспортами качества установленного образца.
Транспортировка и хранение
Готовые железобетонные колонны 1КСО 60-2-21 надлежит складировать на заранее обустроенных открытых площадках в штабелях. Для того чтобы сохранить изделия в пригодном состоянии для эксплуатации, необходимо их складировать с применением инвентарным прокладкам согласно схемам указанным в нормативном документе изготовления.
Перевозку конструкций к месту монтажа необходимо выполнять специальным транспортом, оборудованным крепежными и опорными приспособлениями, гарантирующими безопасность движения и полную неподвижность колонн на всем протяжении пути.