1КД 6-60-1,3

1КД 6-60-1,3
О товаре
Цена по запросу
ОПИСАНИЕ
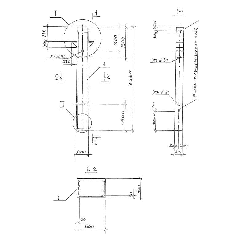
Колонна 1КД 6-60-1,3 представляет собой высокопрочное индустриальное изделие прямоугольной формы, сечением 400*600 для зданий с высотой нижнего этажа 4.8, 6.0 и 7.2 м. Железобетонные конструкции выполняются из материалов высокого качества, которые постоянно проходят проверки на прочность и применяются в неагрессивной, слабоагрессивной и в среднеагрессивной газовой среде. Предел огнестойкости колонн составляет 2,5 часа. Благодаря специальным отверстиям, которые запроектированы по Серии 1.420.1-32, ускоряется процесс монтажа и возведение всего сооружения.
Расшифровка маркировки
Любое строительное изделие снабжается индивидуальной маркировкой. Марка включает в себя группу цифр и букв, которые имеют определенное значение. Нормативный документ Серия 1.420.1-32 содержит подробные расшифровки марок железобетонных колонн. На примере марки 1КД 6-60-1,3 рассмотрим более подробно значение каждой буквы и цифры:
1. 1КД – тип изделия - одноэтажная колонна двухконсольная;
2. 6 - сечение;
3. 60 - высота;
4. 1 - тип армирование консоли;
5. 3 - армирование ствола колонны.
Все заводские марки запрещается корректировать, помимо маркировочного индекса, на боковой стороне колонны наносят данные о дате производства, пишут номер партии, вес, а так же штамп ОТК.
Материалы и производство
Железобетонные колонны 1КД 6-60-1,3 изготавливают на современных оборудованных заводах в опалубочных формах. В основе строительных изделий запроектирован бетон класса B22,5 согласно Серии 1.420.1-32. Величина морозостойкости и водонепроницаемости назначается индивидуально в зависимости от типового проекта. Данный вид колонн армируется пространственным каркасом, который состоит из стержней , отдельных хомутов, сеток и закладных деталей. Для удобного монтажа и транспортировки в теле изделий предусмотрены строповочные отверстия. В зависимости от того в каких климатических условиях применяются детали, они должны пройти обработку от коррозии специальным раствором согласно действующему регламенту. Отпускная прочность бетона должна быть не менее 100% в зимнее время года и 70% - в летний период. Все выпущенные колонны проходят контрольные проверки на прочность, жесткость и трещиностойкость. Большое внимание уделяется поверхности, на ней не должно быть никаких пятен и ржавчин. Геометрические параметры должны соответствовать проектным чертежам. Если конструкции не проходят проверку, то их отправляют на ремонт с указанием, какие дефекты следует исправить, а те колонны, что готовы к отпуску, получают соответствующую техническую документацию, которая выдаются отделом технического и контроля, обязательно должна стоять печать уполномоченного лица.
Транспортировка и хранение
Железобетонные колонны 1КД 6-60-1,3 необходимо хранить в специально оборудованных крытых помещениях. Маркировка изделий всегда должна хорошо просматриваться. Конструкции сортируют по маркам и типоразмерам, чтобы их сохранить после изготовления в пригодном для эксплуатации состоянии, укладывают их в рабочем положении в штабеля высотой не более двух метров с применением деревянных подкладок по высоте не менее 40 мм. Транспортировка должна осуществляется, как на автомобильном, так и на железнодорожном транспорте. При этом обязательно, уложить индустриальные изделия в горизонтальном положении и надежно их закрепить фиксаторами. Выгружать колонны необходимо с особой осторожностью и соблюдать правила техники безопасности.